Pulsator
The Pulsator Lance is a specialized device that utilizes an "Air Pulse System" to eliminate material buildup and prevent "bridging" (dome formation) at silo discharge outlets.Features of Pulsator:
1. Combined Air & Vibration Force: Generates low-frequency waves that promote fluidization, allowing powders to flow as easily as liquids.
2. Sanitary Design: Features a washable, easy-to-remove structure with a high-performance filter to prevent foreign matter contamination—ideal for Food and Pharmaceutical industries.
3. Cost-Efficiency: Easily retrofitted into existing tanks; it ensures complete material discharge, reducing total operational costs and the need for oversized silos.
4. User-Friendly & Quiet: Operates much more quietly than conventional bridge breakers, improving the surrounding work environment.
Applications:
1. Food Manufacturing
2. Pharmaceutical Manufacturing
3. Chemical Manufacturing
4. Metal Product Manufacturing and Ceramics
5. Recycling Business


Structures:
(1) Pulsator head
(2) Coupling
(3) Pipe activator
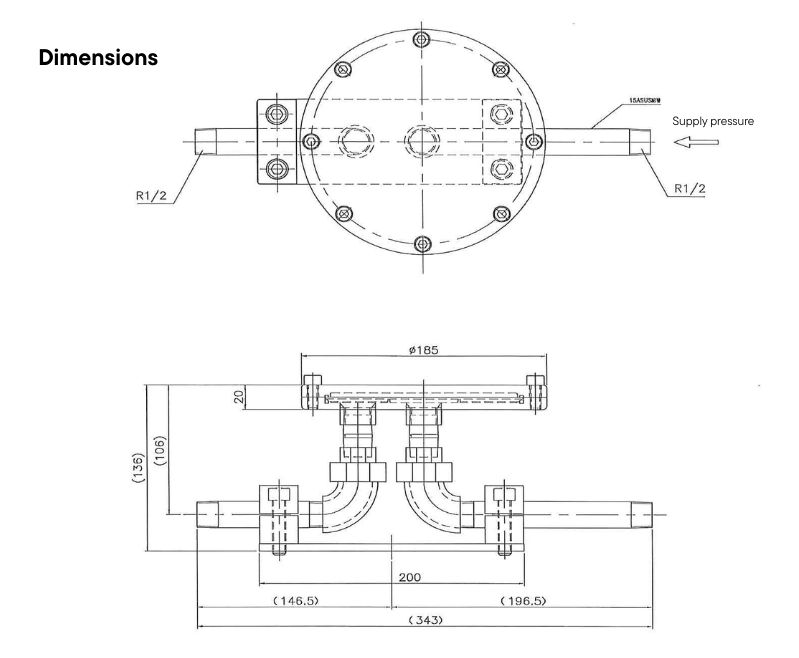
Specification:
Material: SUS304
Frequency: 5~10 Hz
Supply pressure: 0.4~0.6 MPa
Air consumption: 8~10 L/sec
Weight: approx. 6~8 kg
(1) Pulsator head
(2) Coupling
(3) Pipe activator
Specification:

Material: SUS304
Frequency: 5~10 Hz
Supply pressure: 0.4~0.6 MPa
Air consumption: 8~10 L/sec
Weight: approx. 6~8 kg